Nakrętka z uchem (3131)

Materiał: stal cynkowana ogniowo

Zastosowanie: Do zawieszania przelotowego lub odciągowego elementów osprzętu izolowanych przewodów napowietrznych.

Pobierz kartę produktu

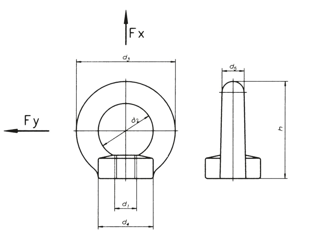
Wyróżnik ZEMEX Wyróżnik handlowy d1 [mm] d2 [mm] d3 [mm] d4 [mm] d5 [mm h [mm] Obciążenie dopuszczalne Fx [kN] Obciążenie dopuszczalne Fy [kN] Masa [kg]
3131-M12 40010 M12 30 54 30 12 53 3 1,6 0,17
3131-M16 40035 M16 35 63 35 14 62 7,5 3,5 0,25
3131-M20 40060 M20 40 72 40 16 71 13,5 6 0,37
Wróć do indeksu
×

Niezbędne pliki cookies

Te pliki cookie są niezbędne do działania strony i nie można ich wyłączyć. Służą na przykład do utrzymania zawartości koszyka użytkownika. Możesz ustawić przeglądarkę tak, aby blokowała te pliki cookie, ale wtedy strona nie będzie działała poprawnie.

Zawsze aktywne

Analityczne pliki cookie

Te pliki cookie pozwalają liczyć wizyty i źródła ruchu. Dzięki tym plikom wiadomo, które strony są bardziej popularne i w jaki sposób poruszają się odwiedzający stronę. Wszystkie informacje gromadzone przez te pliki cookie są anonimowe.