Rożek jednostronny górny (2601)

Materiał: stal cynkowana ogniowo

Zastosowanie:

  • Do łańcuchów przelotowych i odciągowych z izolatorami długopniowymi.
  • W łańcuchach przelotowych 110kV jako górny i dolny.

Pobierz kartę produktu

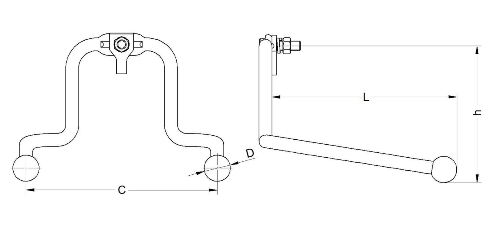
Wyróżnik ZEMEX Wyróżnik handlowy c [mm] L [mm] D [mm] h [mm] Un [kV] In [kA] tz [s] Masa [kg]
2601-165 32255 325 315 40 165 110-220 31,5 0,7 4,42
2601-235 32255/S 325 315 40 235 110-220 31,5 0,7 4,42
2601-170 32256 325 315 50 170 110-220 31,5 0,7 4,93
2601-240 32256/S 325 315 50 240 110-220 31,5 0,7 4,93
2601-250 32257 325 320 60 250 400 40 0,4 5,02
Wróć do indeksu
×

Niezbędne pliki cookies

Te pliki cookie są niezbędne do działania strony i nie można ich wyłączyć. Służą na przykład do utrzymania zawartości koszyka użytkownika. Możesz ustawić przeglądarkę tak, aby blokowała te pliki cookie, ale wtedy strona nie będzie działała poprawnie.

Zawsze aktywne

Analityczne pliki cookie

Te pliki cookie pozwalają liczyć wizyty i źródła ruchu. Dzięki tym plikom wiadomo, które strony są bardziej popularne i w jaki sposób poruszają się odwiedzający stronę. Wszystkie informacje gromadzone przez te pliki cookie są anonimowe.